Отгрузка Подогревателя высокого давления ПВ-140

Отгрузка Подогревателя высокого давления ПВ-140

22 августа 2024 года были успешно отгружены в адрес Заказчика два подогревателя высокого давления камерного типа ПВ-140-140. Несмотря на сложность и уникальность оборудования, а также относительно небольшой опыт изготовления аппаратов аналогичной конструкции, испытания и приёмка прошли без замечаний.

АО «СУЗМК-Инжиниринг»
г. Москва, ул. Россолимо, д. 17 стр. 3, пом. II, ком. 57
+7 (499) 444-36-78
18.09.2024

22 августа 2024 года были успешно отгружены в адрес Заказчика два подогревателя высокого давления камерного типа ПВ-140-140. Несмотря на сложность и уникальность оборудования, а также относительно небольшой опыт изготовления аппаратов аналогичной конструкции, испытания и приёмка прошли без замечаний. 

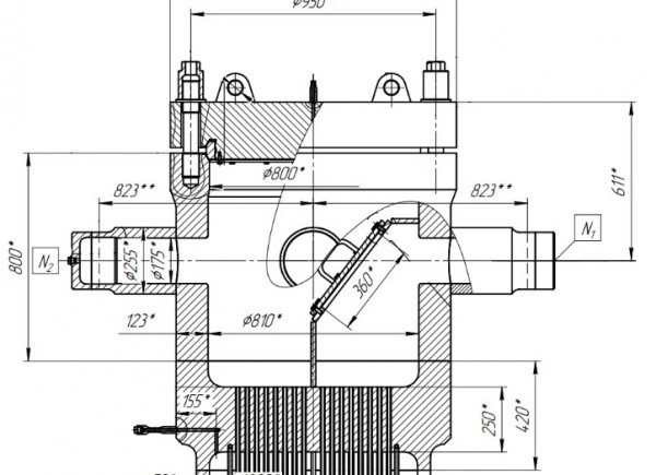
Подогреватели высокого давления ТУВ-1000-20-6,3-16-3,6-2 предназначены для регенеративного подогрева питательной воды паром высокого давления из отборов турбины.

Уникальность данных подогревателей в том, что они были индивидуально спроектированы с применением особой модернизированной конструкции трубного пучка и особого типа фланцевого уплотнения на замену аналогичного оборудования, спроектированного в 80-х годах прошлого века. Металлоёмкость аппаратов снижена почти на 4 тонны, что позволяет существенно сократить стоимость оборудования, а также снизить нагрузки на фундамент и металлоконструкции. 

В ходе проектирования применены следующие усовершенствования по сравнению с устаревшим аналогом:
- усовершенствована конструкция трубного пучка (уменьшен диаметр корпуса, с применением расширителя на кожухе и отбойной обечайки, защищающего пучок от набегающего потока пара, исключена ложная обечайка по всей длине аппарата, за счёт уменьшения диаметра снижено количество застойных зон, что в конечном итоге привело к повышению эффективности, существенному уменьшению массы аппарата, а также позволило упростить его сборку).
- исключены неиспользуемые при эксплуатации внутренние технологические элементы для сборки, что позволило снизить трудоёмкость, массу, а соответственно и себестоимость аппарата;
- заменена конструкция уплотнения крышки камеры высокого давления. Вместо сальникового уплотнения, требующего постоянной ревизии и периодической замены набивки применено более надёжное уплотнение с двухконусным уплотнительным кольцом.

Проектирование проходило в несколько этапов:
- оценка и анализ работы существующего аппарата с точки зрения конструкции и теплотехнических показателей;
- теплогидравлический расчёт и подбор конструкции;
- прочностные расчёты аналитическим методом;
-  3D моделирование;
- оценка прочности методом конечных элементов;
- разработка РКД.

В ходе изготовления инженеры и технологи компании успешно справились со следующими сложными задачами:
- глубокое сверление трубной доски толщиной 250 мм;
- изготовление уплотнительных элементов с особыми требованиями по точности, шероховатости и твёрдости, штамповка алюминиевых колец специального профиля;
- развальцовка толстостенной трубки малого диаметра 16x2,5 специальным инструментом в два пояса;
- сварка и термообработка камеры высокого давления.

На сегодняшний день основным типом подогревателей высокого давления (ПВД) для ТЭЦ и АЭС остаётся коллекторно-спиральный аппарат с поверхностью нагрева из гладких труб, свитых в плоские спирали. Исторически это было обусловлено их основным преимуществом перед камерными подогревателями – отсутствием водяной камеры и, как следствие, отсутствием массивной трубной доски. 

Однако для коллекторно-спиральных подогревателей характерными являются следующие недостатки: 
- значительное время отключения системы регенерации высокого давления при ремонте трубной системы (среднее время восстановления ~120 ч, что в 3 раза больше, чем для камерных); 
- ограничения по высоте корпуса, накладываемые высотой машзала не позволяют набрать поверхность теплообмена, необходимую для обеспечения оптимальных недогревов питательной воды в каждом ПВД; 
- высокие значения гидравлических потерь по питательной воде из-за наличия коллекторов и спиралей. 

К основным недостаткам камерных же ПВД можно отнести лишь остающуюся высокой сложность изготовления трубной доски в связи с большой её толщиной и крепления труб к ней при вертикальном исполнении, а также сложность выделения зоны охладителя пара, но для большинства станций это и не требуется. Однако благодаря оптимизации конструкции ПВД, указанные недостатки были сведены до минимума. 
Выполнение проектов подобного уровня говорит о возможности расширения применяемости ПВД камерного типа Российского производства, а значит и модернизации всего энергетического комплекса.

В настоящее время проект практически завершён, идёт монтаж подогревателя под наблюдением специалистов компании. Показателем успешного завершения проекта будет запуск аппаратов и их бесперебойная работа в течение заявленных сроков безремонтного пробега.  Поздравляем всех участников проекта с успешным завершением!

 

Назад к списку

Заказ оборудования или услуг

Оставить заявку
Имя *
Телефон *
Email *
Ваш комментарий *
Я даю свое согласие на получение информационной и рекламной рассылки в соответствии с условиями Согласия на получение информационной и рекламной рассылки *
Иконка вверх