• Main
  • News
  • Shipment of High Pressure Heater PV-140

Shipment of High Pressure Heater PV-140

Shipment of High Pressure Heater PV-140
On August 22, 2024, two high-pressure chamber-type heaters PV-140-140 were successfully shipped to the Customer. Despite the complexity and uniqueness of the equipment, as well as the relatively small experience in manufacturing devices of similar design, testing and acceptance passed without any comments.
АО «СУЗМК-Инжиниринг»
г. Москва, ул. Россолимо, д. 17 стр. 3, пом. II, ком. 57
+7 (499) 444-36-78
18.09.2024

On August 22, 2024, two high-pressure chamber-type heaters PV-140-140 were successfully shipped to the Customer. Despite the complexity and uniqueness of the equipment, as well as the relatively small experience in manufacturing devices of similar design, testing and acceptance passed without any comments.

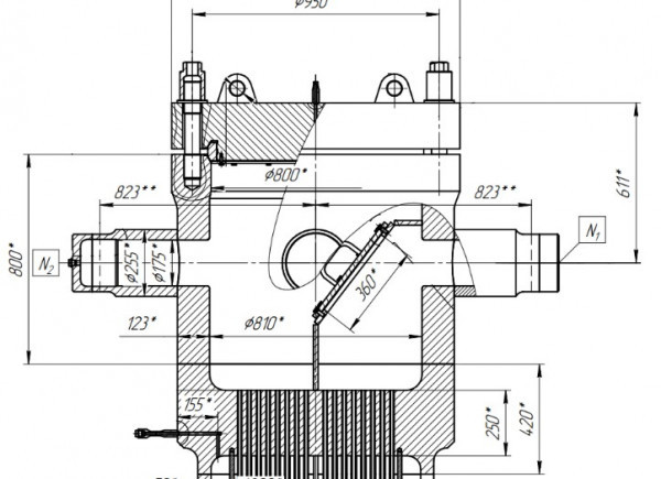
High-pressure heaters TUV-1000-20-6.3-16-3.6-2 are designed for regenerative heating of feedwater with high-pressure steam from turbine extractions.

The uniqueness of these heaters is that they were individually designed using a special modernized design of the tube bundle and a special type of flange seal to replace similar equipment designed in the 80s of the last century. The metal content of the devices has been reduced by almost 4 tons, which allows for a significant reduction in the cost of the equipment, as well as a reduction in the load on the foundation and metal structures.

The following improvements were applied during the design process compared to the outdated analogue:
- the tube bundle design was improved (the body diameter was reduced, with the use of an expander on the casing and a baffle shell protecting the bundle from the oncoming steam flow, the false shell along the entire length of the device was eliminated, due to the diameter reduction, the number of stagnant zones was reduced, which ultimately led to increased efficiency, a significant reduction in the weight of the device, and also simplified its assembly).
- internal process elements for assembly that are not used during operation were excluded, which reduced labor intensity, weight, and, accordingly, the cost of the device;
- the high-pressure chamber cover seal design was replaced. Instead of a gland seal, which requires constant revision and periodic replacement of packing, a more reliable seal with a double-cone sealing ring was used.

The design took place in several stages:
- evaluation and analysis of the existing apparatus operation in terms of design and thermal performance;
- thermal hydraulic calculation and design selection;
- strength calculations using the analytical method;
- 3D modeling;
- strength assessment using the finite element method;
- development of design documentation.

During the manufacturing process, the company's engineers and technologists successfully completed the following complex tasks:
- deep drilling of a 250 mm thick tube sheet;
- manufacturing sealing elements with special requirements for precision, roughness and hardness, stamping of aluminum rings of a special profile;
- flaring of a small-diameter thick-walled tube 16x2.5 with a special tool in two belts;
- welding and heat treatment of a high-pressure chamber.

Today, the main type of high-pressure heaters (HPH) for thermal power plants and nuclear power plants remains a collector-spiral device with a heating surface made of smooth tubes twisted into flat spirals. Historically, this was due to their main advantage over chamber heaters - the absence of a water chamber and, as a result, the absence of a massive tube sheet. 

However, collector-spiral heaters are characterized by the following disadvantages: 
- significant shutdown time of the high-pressure regeneration system during repair of the pipe system (average recovery time ~120 hours, which is 3 times more than for chamber systems); 
- restrictions on the height of the housing imposed by the height of the turbine hall do not allow for the accumulation of the heat exchange surface necessary to ensure optimal underheating of the feedwater in each HPH; 
- high values of hydraulic losses in feed water due to the presence of collectors and spirals. 

The main disadvantages of chamber PVDs include only the remaining high complexity of manufacturing the tube sheet due to its large thickness and fastening the pipes to it in vertical execution, as well as the complexity of isolating the steam cooler zone, but for most stations this is not required. However, due to the optimization of the PVD design, these disadvantages have been reduced to a minimum. 
The implementation of projects of this level indicates the possibility of expanding the applicability of Russian-made chamber-type HDPE, and therefore the modernization of the entire energy complex.

At present, the project is almost completed, the heater is being installed under the supervision of the company's specialists. The indicator of successful completion of the project will be the launch of the devices and their uninterrupted operation during the declared periods of trouble-free run. Congratulations to all participants of the project on its successful completion!

 

Back

Заказ оборудования или услуг

Leave a request
Name *
Phone *
Email *
Your comment *
Иконка вверх